SR20DET Rocker Arm Stoppers, protection for your engine
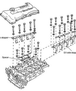
The Rocker arm stopper is a crucial component in the SR engine, it prevents damage during high-performance driving situations. When the engine revs exceed 7000rpm, such as during circuit runs or drag racing, or if an over-rev occurs due to a missed shift, the tappet side of the rocker arm fulcrum can jump, causing the rocker arm to come off.
The Rocker arm stopper is designed to hold the lash adjuster side of the rocker arm in place with a fixed clearance, controlling the deflection of the rocker arm and protecting the engine from damage. It’s important to have this part installed if you’re planning on pushing your engine to its limits and is a must-have for those who engage in high-performance driving.
- Set of each IN and EX
- Head cover modification may needed to some model
- Cannot be used with VVL
- Available with Solid pivot type cam
- Material SPCC steel chromate coated
- Spacer included
Suomi



